RVM16E REGOLATORE DI VELOCITA’ RVM16E
PER MOTORE ASINCRONO PROTEZIONE IP55

regolatore di velocità rvm16e

CARATTERISTICHE

Il regolatore è costituito da circuiti a triac controllati mediante comando esterno, per la variazione continua della velocità di un motore da circa 40 al 100% alimentato a 220V, con corrente a regime di 16 Ampere massimi in servizio continuo.
Il regolatore è stato specificatamente costruito per motori accoppiati a ventilatori, aspiratori o pompe. Il regolatore può essere usato anche come variatore di tensione per qualsiasi carico ohmico. Notare che la regolazione di tensione minima parte da un valore di circa 30-40% di quella di linea. Per regolatori che possono variare la tensione da 0 a quella massima di linea fare espressa richiesta.
E’ contenuto in custodia plastica, sul pannello frontale sono posti l’interruttore, il comando a manopola per la variazione di velocità, il trimmer per la regolazione della velocità minima e l'interruttore magnetotermico da 16 Ampere, per la protezione dei soli circuiti interni del regolatore e per Corto Circuito del motore.

INSTALLAZIONE

Per l’installazione a parete, fissare il regolatore con 4 viti.

ALLACCIAMENTO E MESSA IN SERVIZIO

Si raccomanda di attenersi scrupolosamente alle istruzioni al fine di evitare danneggiamenti al regolatore ed al motore.
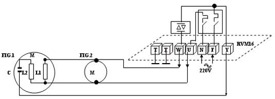
Connettere i conduttori alla rete di alimentazione ed al motore secondo lo schema di fig. 1, qualora sia possibile collegare il motore a tre fili. Si fa notare che il regolatore può funzionare solo se il circuito regolatore di tensione (morsetti W-U-Y) alimenta l’avvolgimento del motore privo di condensatore.
Connettere secondo lo schema di fig. 2, qualora all’uscita del motore siano disponibili solo due fili o per carico ohmico: in tal caso vengono utilizzati i morsetti W-U. Alimentare il regolatore con la manopola di regolazione al minimo (tutta girata in senso antiorario). Il motore è alimentato a circa 75V.
Con il trimmer sul frontale si può regolare la tensione minima da 75V a 180V. Accertarsi che al minimo il motore giri. Diversamente, con il trimmer aumentare la tensione.
Girare la manopola di regolazione in senso orario: il motore aumenterà la velocità fino ai giri nominali.
Un trimmer interno (sigillato) permette la riduzione della tensione minima al di sotto dei 75V. Si consiglia di non toccarlo, salvo casi particolari, in quanto al di sotto dei 75V il motore potrebbe non girare e quindi danneggiarsi.
Al fine di proteggere elettricamente il complesso regolatore-motore, si rende necessario installare sulla linea di alimentazione un’adeguata protezione amperometrica
schema di collegamento rvm16e

Copyright © 2015 IRIEnergy GmbH by WebEuro - Industriestraße, 1 - Arnoldstein 9601 - AT - Telefono: +43 (0)664-88874390 - Fax: +43 (0)664-5463517